Skip to main content

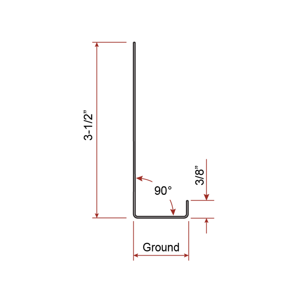
3-1/2" J-Weep High-Back

Used as sill weep screed or at door and window opening

J-Weep High-Back Plaster Stop is a J-shaped, square-nosed trim manufactured from 26-gauge galvanized steel. The 1-3/8" ground is designed for use with 1" of foam, lath, and a one-coat, 3/8" proprietary stucco system.

Application(s): Stucco, EIFS, Stone Veneer

The foam will be placed over the holes to allow drainage and the high-backed rear flange serves as the rear flashing which is covered by the building paper to encourage proper drainage. The J-Weep provides straight edge stops for applied plaster stucco and E.I.F.S. as well as offering exacting grounds and protective weeps. It is corrosion resistant and safe for use with thin stone.

J-Weep High-Back Plaster Stop is provided with other ground sizes, including 3/8", 1/2", 3/4" and 7/8" grounds for proprietary one-coat and multi-coat stucco systems.

ES reports require this type of drainage mechanism to meet the requirements of those systems.

 

Code Approvals & Performance Standards

  • ASTM A653 Standard Specification for Steel Sheet, Zinc-Coated (Galvanized) or Zinc-Iron Alloy-Coated (Galvannealed) by the Hot-Dip Process
  • ASTM C1063 Standard Specification for Installation of Lathing and Furring to Receive Interior and Exterior Portland Cement-Based Plaster
  • ASTM C1780 Standard Practice for Installation Methods for Cement-based Adhered Masonry Veneer
  • ASTM C1861 Standard Specification for Lathing and Furring Accessories, and Fasteners, for Interior and Exterior Portland Cement-Based Plaster
  • SDS For ASTM A653 Steel Finishing Products For Interior Finishing and Exterior Finishing
 

PRoduct submittal SHeets

Click the below Product Code to view Submittal/Tech Datasheet.

Product Code Description
JWP 3-1/2" J-Weep High-Back

ClarkDietrich SubmittalPro®

Submittal sheets for the exact product you're looking for can be created by using ClarkDietrich's SubmittalPro® Product Submittal System.